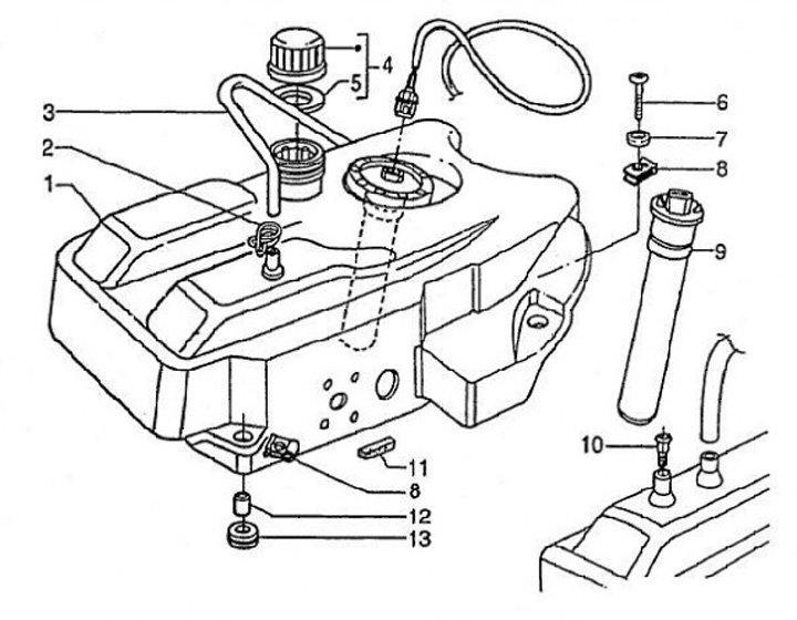
Fuel tank
Piaggio Hexagon 125 LX4 (1998, ZAPM15000)
Sort