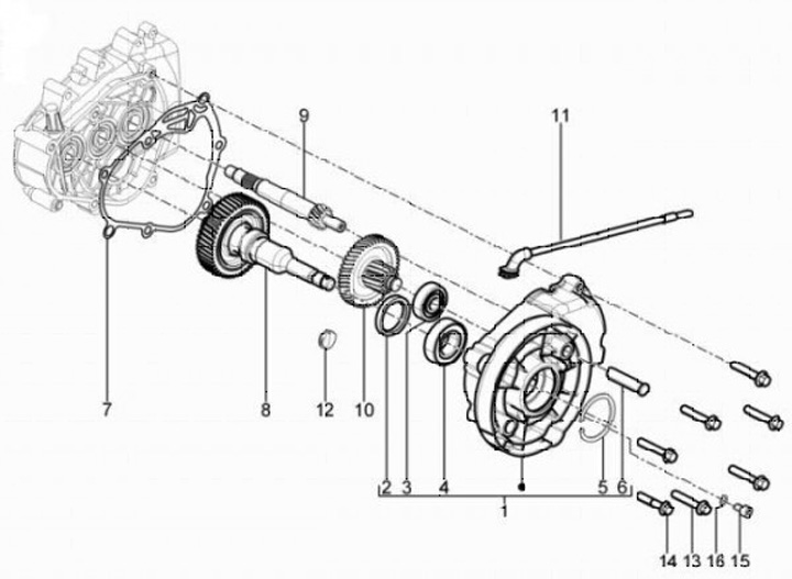
Gears
Piaggio TPH 125 (2010, LBMM70100)
Sort