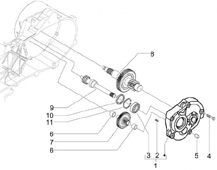
Gears
Vespa S 50 (4-stroke, 2011, ZAPC38600)
Sort