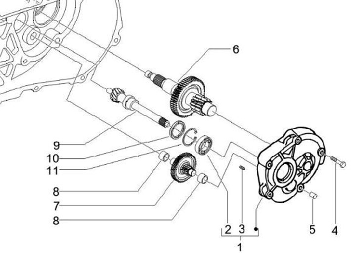
Gears
Piaggio Zip 50 II (2-stroke, 2010, LBMC25E)
Sort