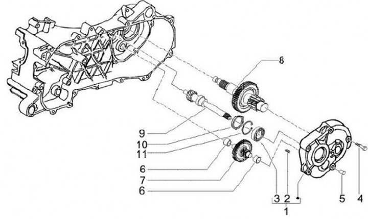
Gears
Vespa S 50 (2-stroke, 2011, ZAPC38103)
Sort