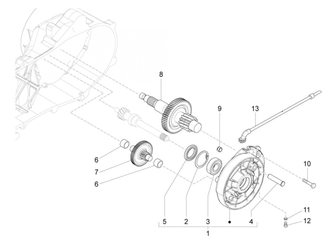
Gears
Vespa Sprint 50 IGET (4-stroke, 2019-2020, ZAPCA0103) Notte
Sort