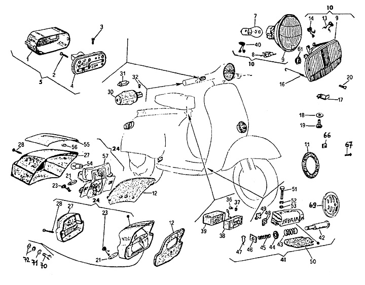
Lighting
Vespa 50 N Special (V5A1T 887656-)
Sort