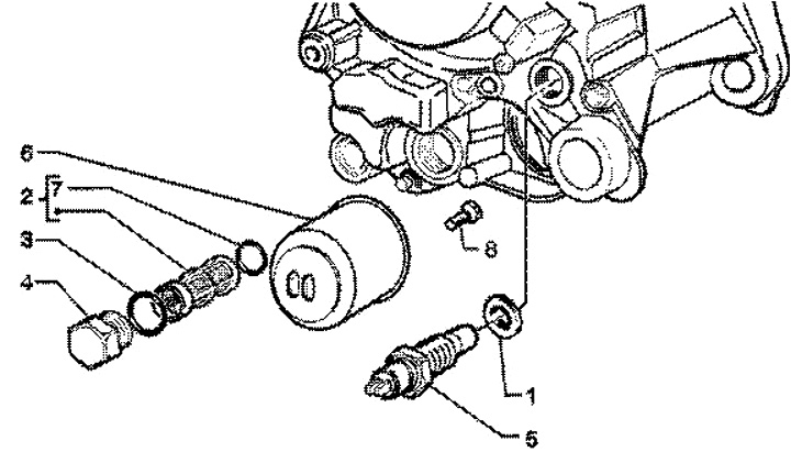
Oil filter
Piaggio Skipper 125 (4-stroke, 2000, ZAPM21000)
Sort