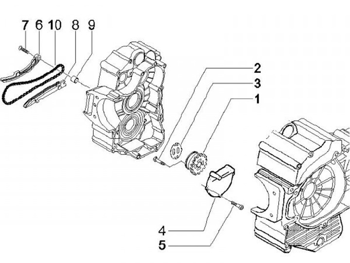
Oil pump - timing chain
Piaggio X Evo 400 (2007, ZAPM52101)
Sort