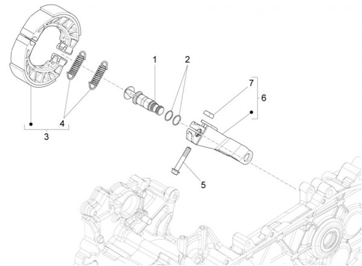
Rear brake shoes
Vespa Sprint 125 (2014, ZAPM81300)
Sort