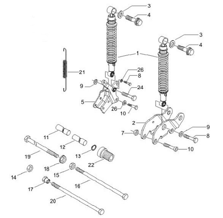
Rear shock absorber
Piaggio X Evo 125 (2007, ZAPM36601)
Sort