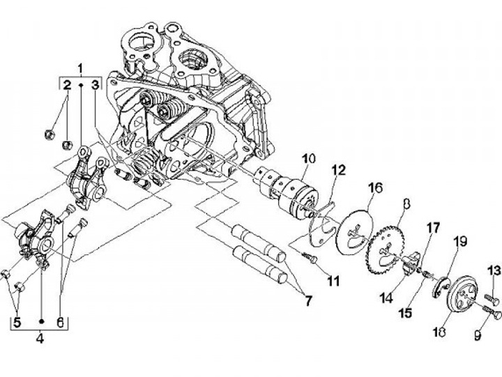
Rocker arm - camshaft
Gilera Nexus 250 (2006, ZAPM35300)
Sort