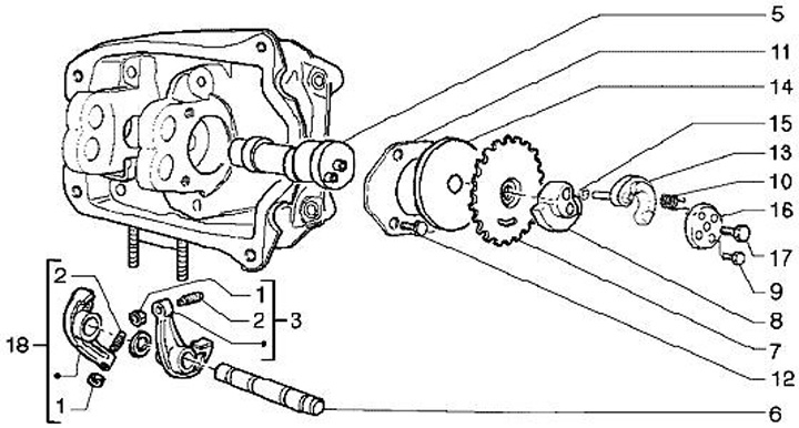
Rocker arm - camshaft
Gilera Runner 125 VX (2004, ZAPM24000)
Sort