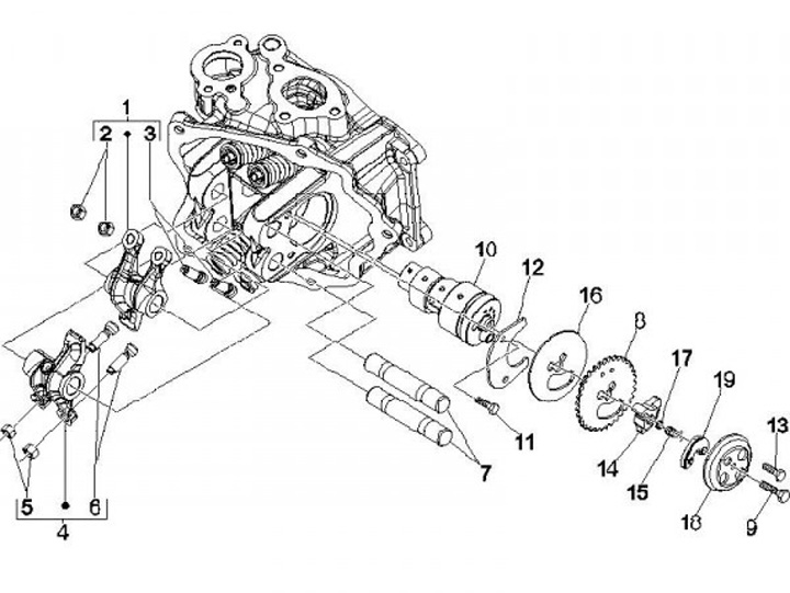
Rocker arm - camshaft
Piaggio Beverly 250ie MIC (2007, ZAPM28800)
Sort