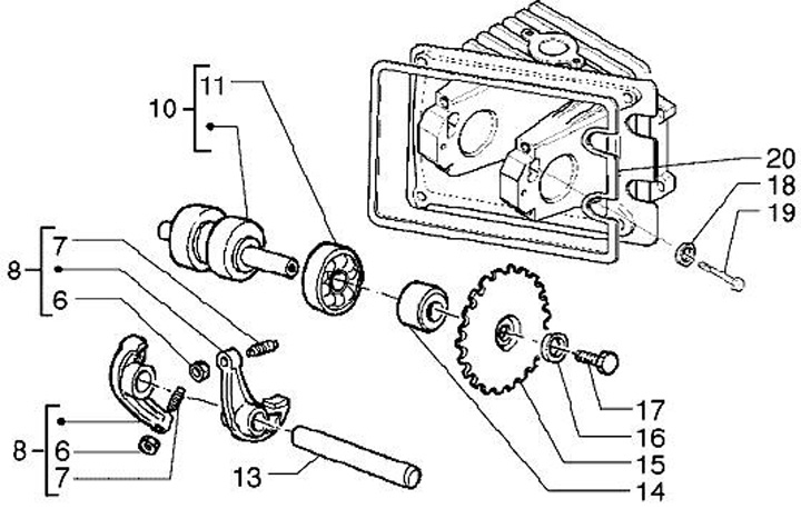
Rocker arm - camshaft
Piaggio Free 100 (2002-2005, ZAPM29100)
Sort