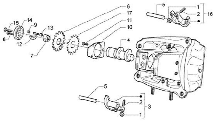
Rocker arm - camshaft
Piaggio X9 500 (2000, ZAPM27000)
Sort