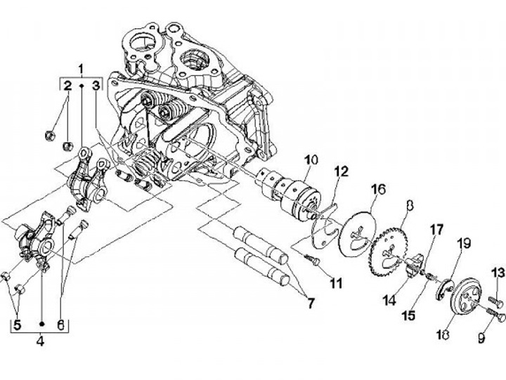
Rocker arm - camshaft
Piaggio X Evo 250 (2007, ZAPM36401)
Sort