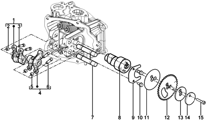
Rocker bar mounting
Vespa GTS 125ie Super (2014, ZAPM45300) 742-B
Sort