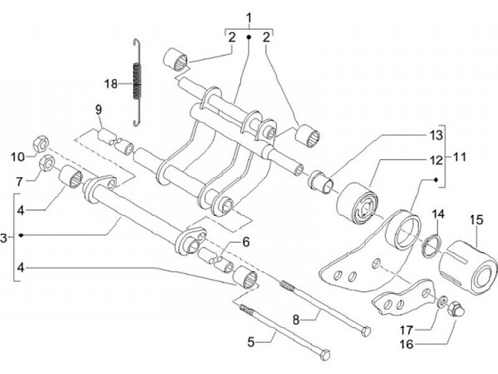
Rocker bar
Gilera Runner 125 VX (2006, ZAPM46100)
Sort