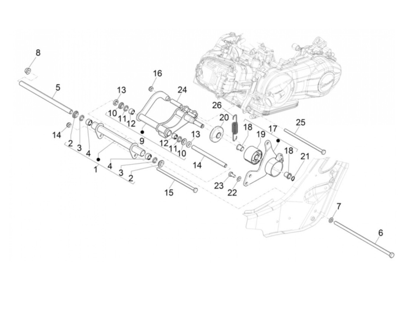
Rocker bar
Vespa GTS 300ie Super HPE (2019, ZAPMA3600)
Sort