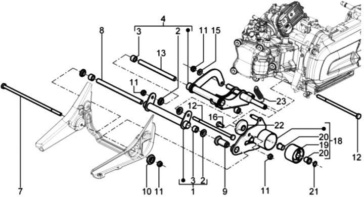
Rocker bar
Piaggio Beverly 350 Sport Touring 4V (2014, ZAPM69400)
Sort