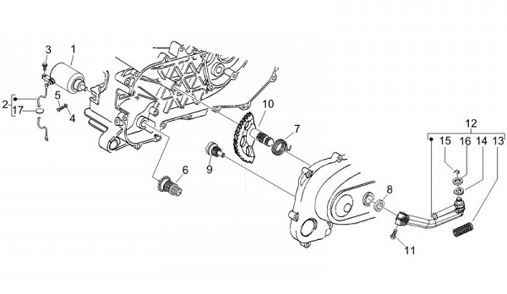
Starter motor - kickstarter
Piaggio TPH 50 (2008, ZAPC29000)
Sort