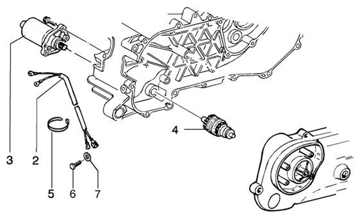
Starter motor
Gilera Runner 50 SP Purejet (2003, ZAPC36100)
Sort