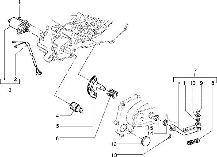
Starter motor
Piaggio NRG 50 DD (1998, ZAPC18000)
Sort