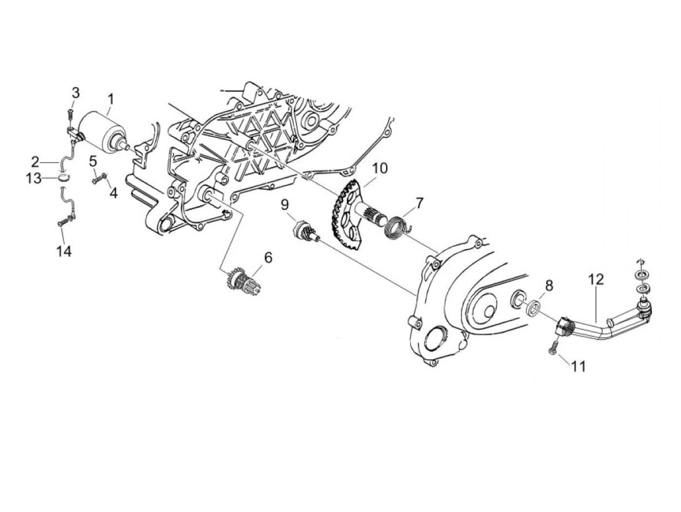
Starter
Vespa LX 50 (2005, ZAPC38400) 25 km/h
Sort