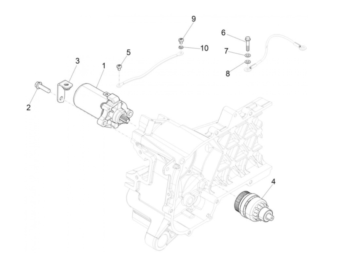
Starter
Vespa Primavera 50 Sport IGET (4-stroke, 2019-2020, ZAPCA0202)
Sort