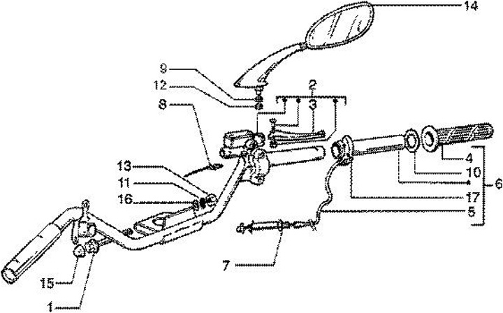
Throttle grip
Vespa ET2 50 (2001, ZAPC38100)
Sort