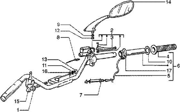
Throttle grip
Vespa ET2 50 (1999, ZAPC16000)
Sort