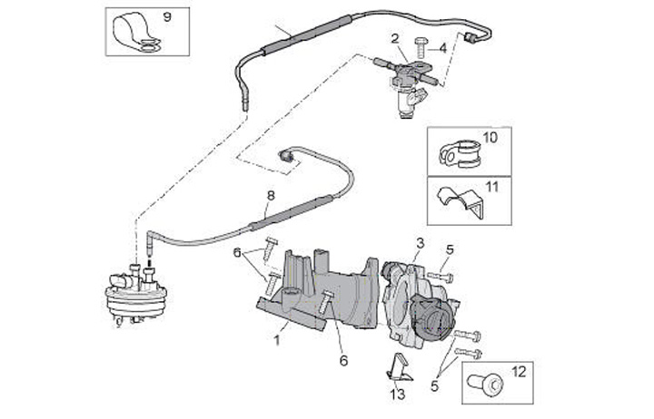
Throttle housing
Aprilia Scarabeo Light 400 (2006-2008, ZD4VRA)
Sort