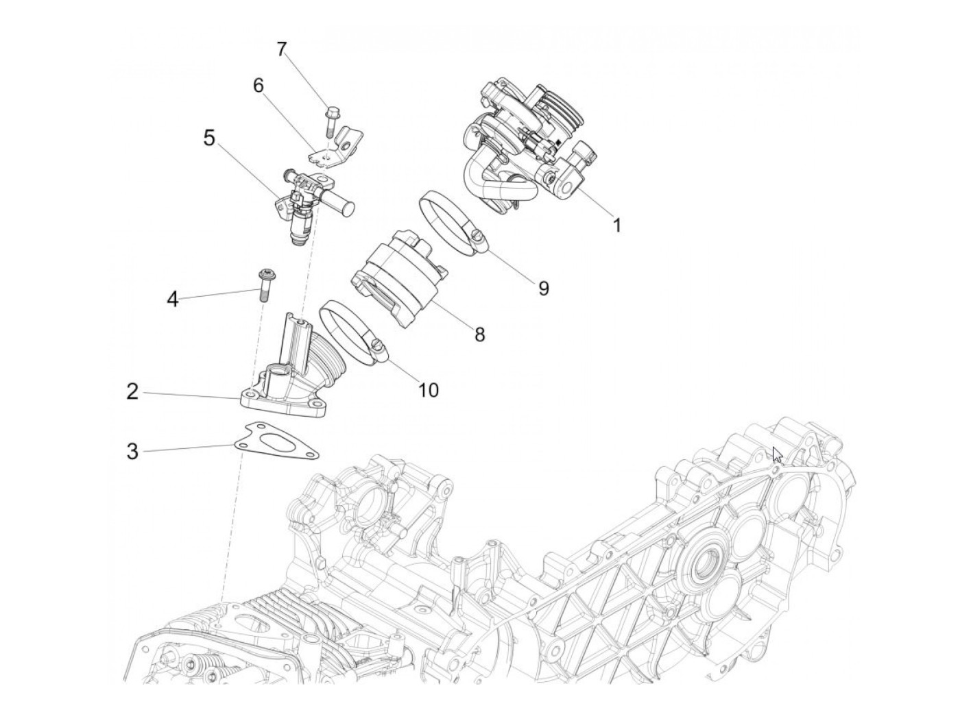
Throttle housing
Vespa Primavera 125 (2013, ZAPM81100)
Sort