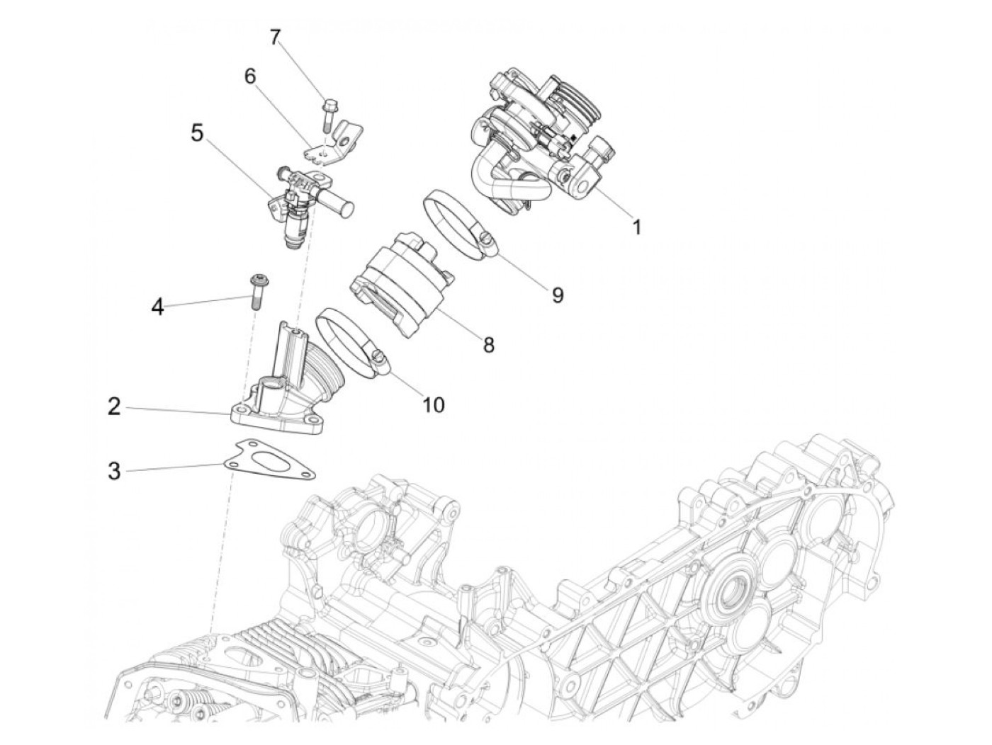
Throttle housing
Vespa Primavera 150 IGET Sport ABS (2018, ZAPMA1200)
Sort