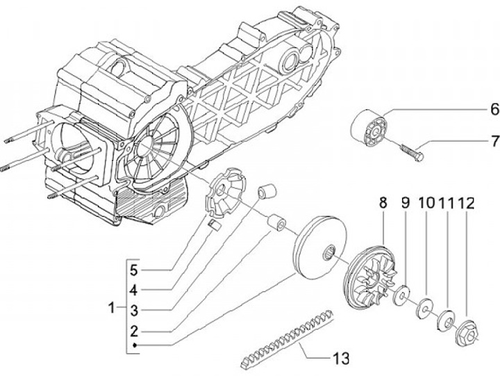
Variator - CVT
Gilera Nexus 500SP (2006, ZAPM35200)
Sort