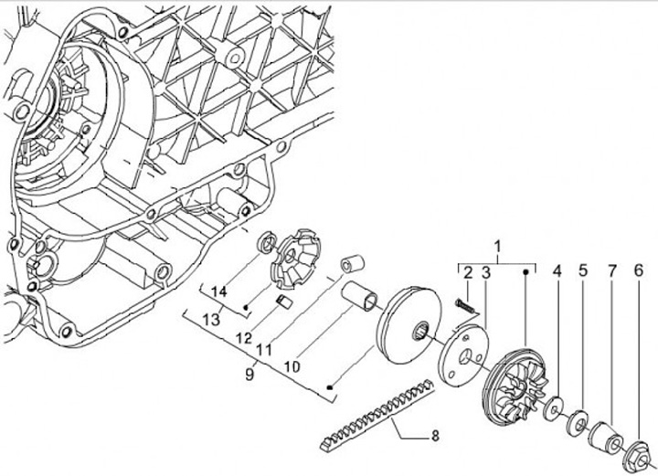
Variator - CVT
Gilera Runner 125 VX Race (2005, ZAPM46100)
Sort