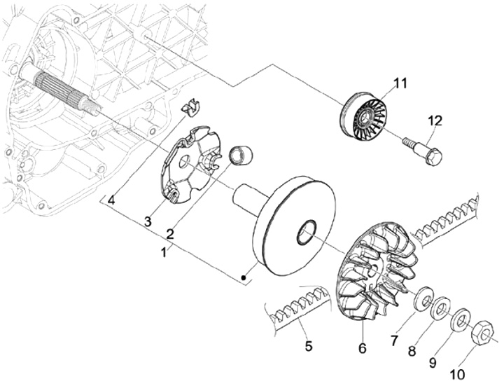
Variator - CVT
Piaggio MP3 300 Touring (2011, ZAPM63301)
Sort