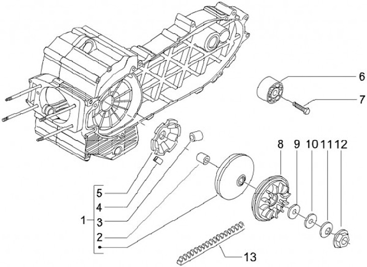
Variator - CVT
Piaggio X9 500 Evolution (2004, ZAPM27000)
Sort