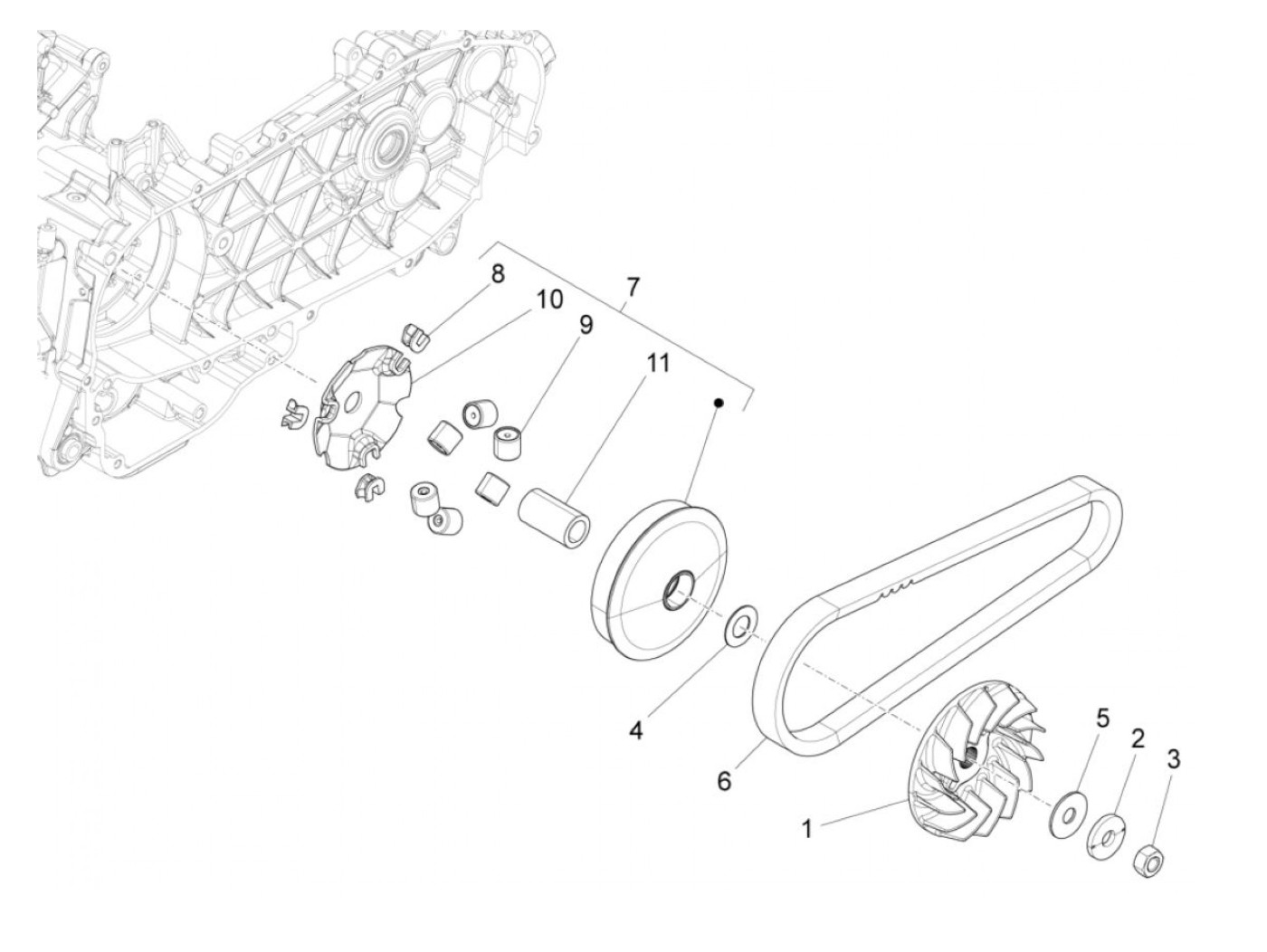
Variator - CVT
Vespa Primavera 150 IGET Sport ABS (2018, ZAPMA1201)
Sort