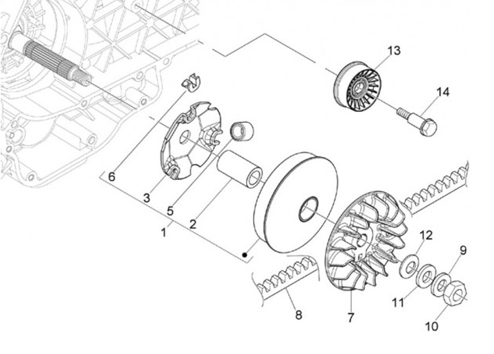
Variator - CVT
Vespa GTS 250 (2013, ZAPM45100)
Sort