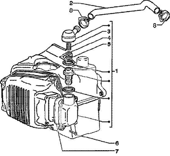
Venting casing
Piaggio Skipper 150 (2000-2002, ZAPM21000)
Sort