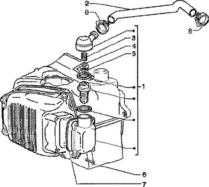
Venting casing
Piaggio Zip 125 (2000, ZAPM25000)
Sort