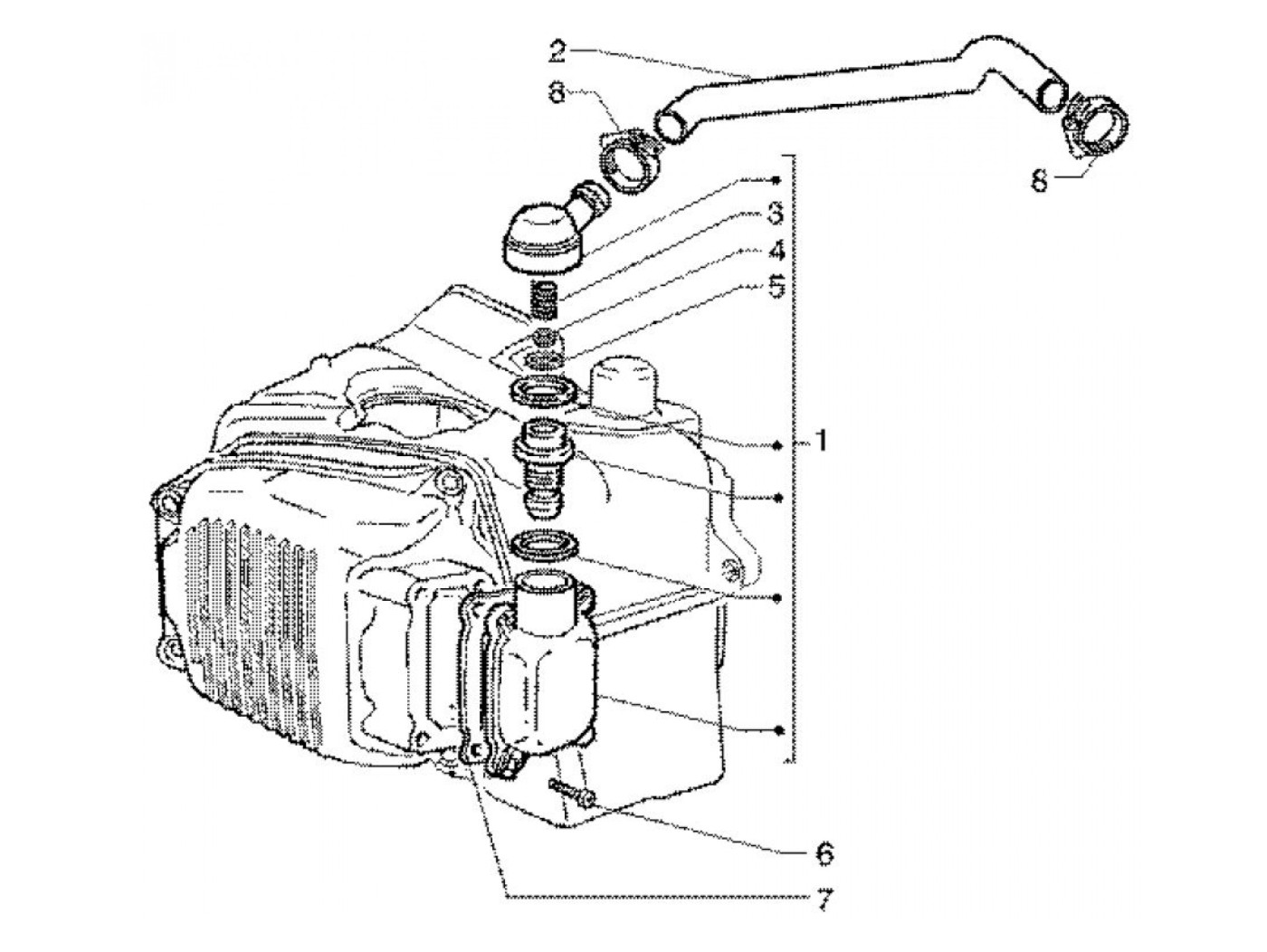
Venting valve
Vespa ET4 150 (2002, ZAPM19000)
Sort