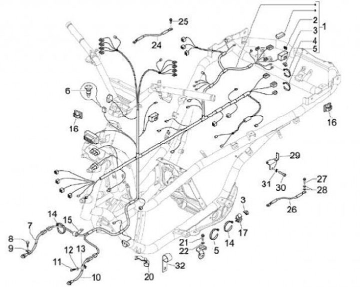
Wiring harness
Piaggio MP3 500 Sport LT (2011, ZAPM64300)
Sort