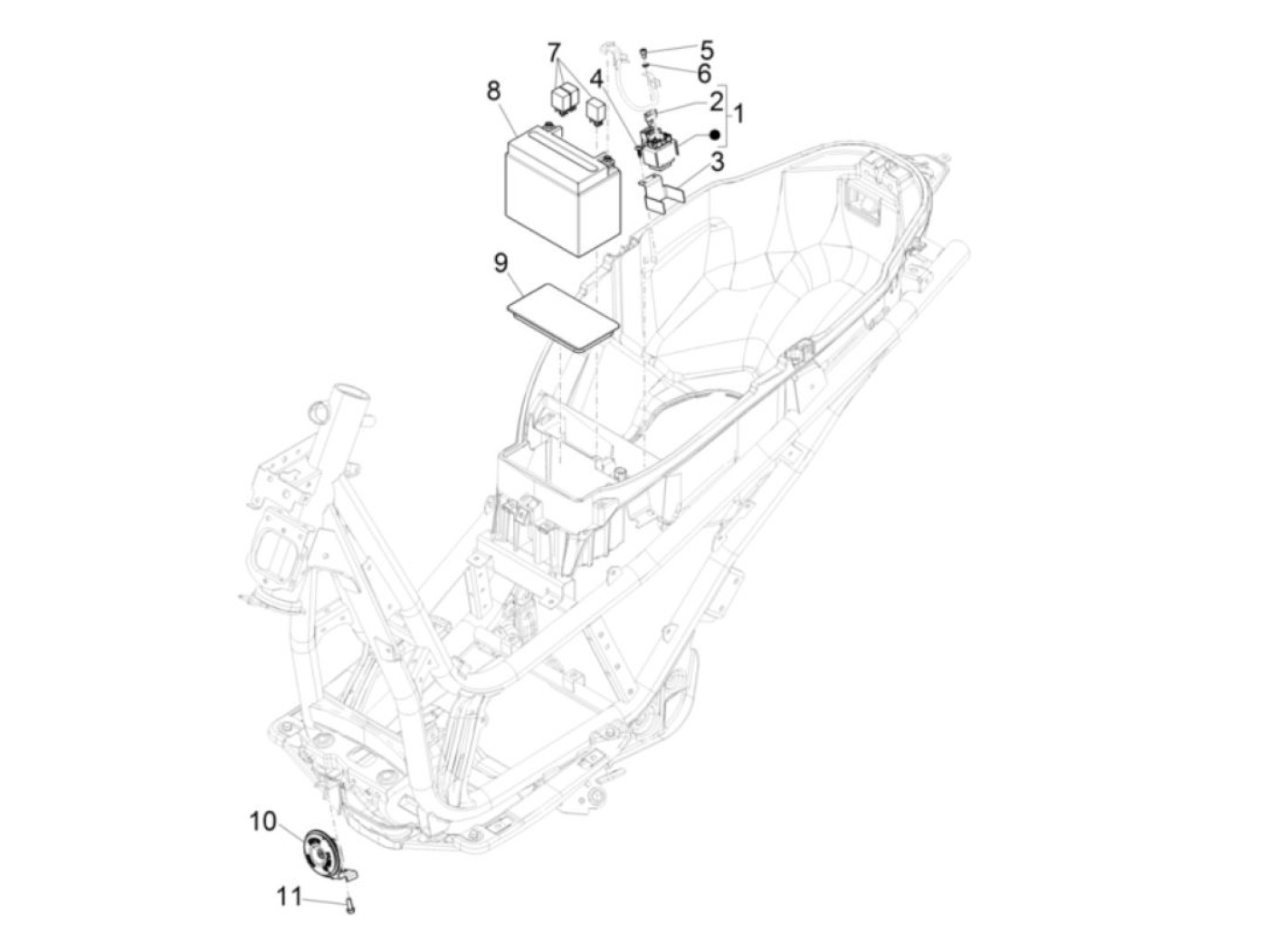
Batería
Piaggio Beverly 300 HPE (2021-2022, ZAPMD2100)
Ordenar