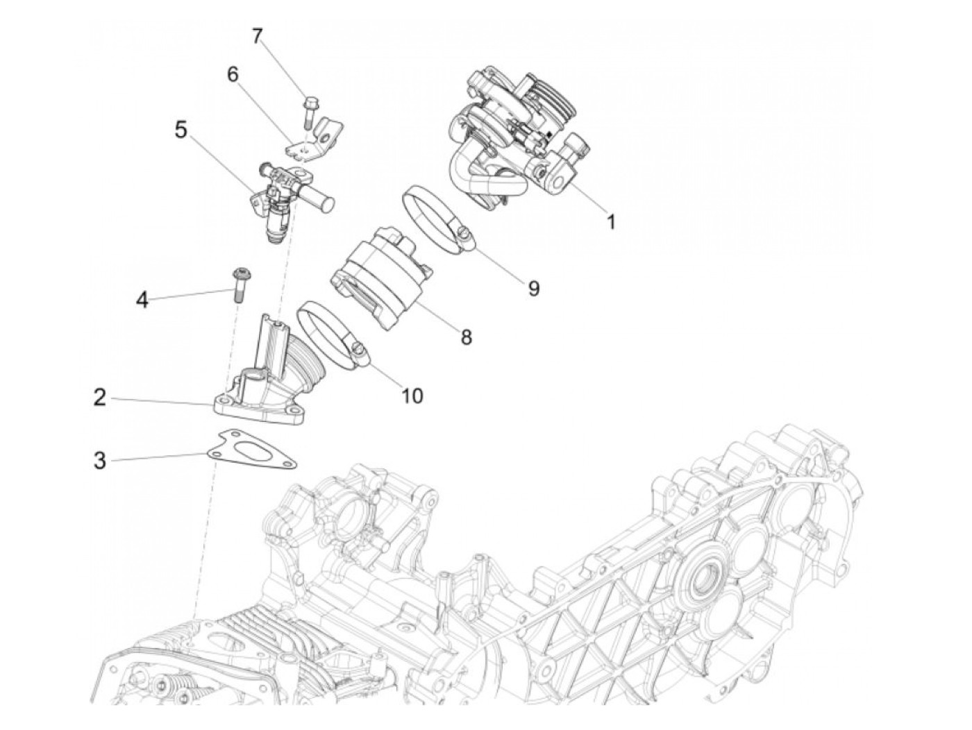
Carcasa acelerador
Vespa Primavera 125 IGET (2019, ZAPMA1100) 50-años
Ordenar