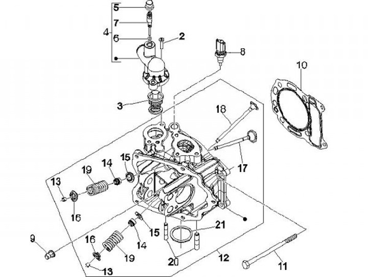
Culata - válvulas
Piaggio X8 250 (2008, ZAPM36400)
Ordenar