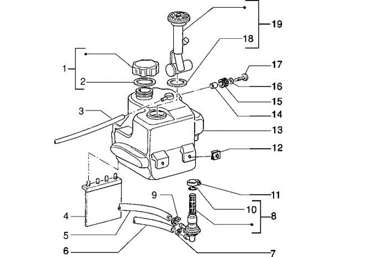
Depósito de combustible
Piaggio TPH 50 XR (2000, ZAPC19000)
Ordenar