muy bueno
4.7 / 5
Gastos de envío gratuitos a partir de 99€ (DE) Alta satisfacción del cliente
Contacto |Privacidad |AGB & Customer Info |Pie de imprenta
Gilera DNA 125 (2002, ZAPM26000) | Despiece Gilera DNA 125 (2002, ZAPM26000) | Despiece
Blog DE DE  |  €
Mi garaje
¿Ha olvidado su contraseña?
Crear una nueva cuenta de cliente
0
  • Todos
    • Motor
      Todo apagado Motor
      • Caja de cambios
      • Carburador
      • Cigüeñal
      • Cilindro
      • Colector de admisión y diafragma
      • Conducir
      • Conjunto de revisiones
      • Embrague
      • Encendido
      • Escape
      • Filtro de aire
      • Inicio
      • Motor y carcasa
      • Motores
      • Refrigeración
      • Sellos
      • Sistema de inyección
      • Tornillos y piezas pequeñas
    • Sistema eléctrico
      Todo apagado Sistema eléctrico
      • Bujías de encendido
      • Cables
      • Encendido y alternador
      • Enchufe
      • Fuente de luz
      • Iluminación
      • Instrumentos
      • Interruptores
      • Motor de arranque
      • Pilas
      • Regulador, rectificador
      • Tornillos y piezas pequeñas
    • Bastidor y piezas complementarias
      Todo apagado Bastidor y piezas complementarias
      • Amortiguador
      • Caballete principal y lateral
      • Cojinete del cabezal de dirección
      • Horquillas
      • Piezas de revestimiento
      • Rotulación
      • Sillines
      • Sistema de combustible
      • Tornillos y piezas pequeñas
    • Manillares y accesorios
      Todo apagado Manillares y accesorios
      • Asas
      • Espejo
      • Freno y embrague
      • Instrumentos
      • Interruptores
      • Manillares y piezas de carenado
      • Palancas de cambio de gas
      • Tornillos y piezas pequeñas
    • Cables Bowden
      Todo apagado Cables Bowden
      • Boquillas de sujeción y tornillos de ajuste
      • Cables del velocímetro
      • Elementos de control
      • Líneas de freno
      • Mandos tacométricos
      • Tirones de cable y series
    • Ruedas
      Todo apagado Ruedas
      • Frenos
      • Llantas
      • Mangueras
      • Neumáticos
      • Ruedas
      • Válvulas y piezas pequeñas
    • Servicio
      Todo apagado Servicio
      • Aceites
      • Correa trapezoidal
      • Establece
      • Filtros
      • Herramienta
    • Petróleo y química
      Todo apagado Petróleo y química
      • Aceites
      • Adhesivos
      • Grasas y lubricantes
      • Lacas y colores
      • Material de explotación
      • Material para talleres
      • Productos de cuidado y limpieza
      • Sellador
    • Accesorios
      Todo apagado Accesorios
      • Accesorios especiales
      • Aceleradores y limitadores de revoluciones
      • Carteras
      • Defensas
      • Equipamiento de taller
      • Maletas
      • Manuales y más
      • Mercancía
      • Parabrisas
      • Portaequipajes
      • Protección antirrobo
      • Soportes y accesorios para teléfonos móviles
    • Cascos y ropa
      Todo apagado Cascos y ropa
      • Accesorios
      • Camisetas y camisas
      • Cascos
      • Chaquetas y pantalones
      • Gafas y viseras
      • Guantes
    • Vales
    Consejo del día
    Cargador de batería -H-TRONIC AL 300Pro- 2V, 6V, 12V
    H-Tronic
    Cargador de batería -H-TRONIC AL 300Pro- 2V, 6V, 12V
    16,90 €*
  • Vespa clásica
    • Motor
      Todo apagado Motor
      • Caja de cambios
      • Carburador
      • Cigüeñal
      • Cilindro
      • Colector de admisión y diafragma
      • Conducir
      • Conjunto de revisiones
      • Embrague
      • Encendido
      • Escape
      • Filtro de aire
      • Inicio
      • Motor y carcasa
      • Motores
      • Refrigeración
      • Sellos
      • Tornillos y piezas pequeñas
    • Sistema eléctrico
      Todo apagado Sistema eléctrico
      • Bujías de encendido
      • Cables
      • Encendido y alternador
      • Enchufe
      • Fuente de luz
      • Iluminación
      • Instrumentos
      • Interruptores
      • Motor de arranque
      • Pilas
      • Regulador, rectificador
      • Tornillos y piezas pequeñas
    • Chasis
      Todo apagado Chasis
      • Amortiguador
      • Bancos
      • Caballete principal y lateral
      • Cojinete del cabezal de dirección
      • Horquillas
      • Piezas de revestimiento
      • Rotulación
      • Sistema de combustible
      • Tornillos y piezas pequeñas
    • Manillar
      Todo apagado Manillar
      • Asas
      • Espejo
      • Freno y embrague
      • Instrumentos
      • Interruptores
      • Manillares y piezas de carenado
      • Palancas de cambio de gas
      • Tornillos y piezas pequeñas
    • Cables Bowden
      Todo apagado Cables Bowden
      • Boquillas de sujeción y tornillos de ajuste
      • Cables del velocímetro
      • Elementos de control
      • Líneas de freno
      • Mandos tacométricos
      • Tirones de cable y series
    • Ruedas
      Todo apagado Ruedas
      • Frenos
      • Llantas
      • Mangueras
      • Neumáticos
      • Ruedas
      • Válvulas y piezas pequeñas
    • Servicio
      Todo apagado Servicio
      • Aceites
      • Establece
      • Filtros
      • Herramienta
    • Aceite y química
      Todo apagado Aceite y química
      • Aceites
      • Adhesivos
      • Grasas y lubricantes
      • Lacas y colores
      • Material de explotación
      • Material para talleres
      • Productos de cuidado y limpieza
      • Sellador
    • Accesorios
      Todo apagado Accesorios
      • Accesorios especiales
      • Barra de choque
      • Bolsas
      • Equipamiento para talleres
      • Literatura
      • Mercancía
      • Paravientos
      • Portaequipajes
      • Soportes y accesorios para teléfonos móviles
      • TopCase
    • Cascos y ropa
      Todo apagado Cascos y ropa
      • Accesorios
      • Camisetas y camisas
      • Cascos
      • Chaquetas y pantalones
      • Gafas y viseras
      • Guantes
    Consejo del día
    Tapa de embrague completa -BGM Pro Superstrong CNC Vespa Largeframe (1962-2016)- Vespa PX, T5 125cc, Cosa, Rally, Sprint, VNB4T-VNB6T, VBB2T, VNC1T, VLA1T, VBC1T, VNL2T, VNL3T, plata
    Arriba
    BGM PRO
    Tapa de embrague completa -BGM Pro Superstrong CNC Vespa Largeframe (1962-2016)- Vespa PX, T5 125cc, Cosa, Rally, Sprint, VNB4T-VNB6T, VBB2T, VNC1T, VLA1T, VBC1T, VNL2T, VNL3T, plata
    169,00 €*
  • Vespa Moderna
    • Motor
      Todo apagado Motor
      • Caja de cambios
      • Carburador
      • Cigüeñal
      • Cilindro
      • Colector de admisión y diafragma
      • Conducir
      • Conjunto de revisiones
      • Embrague
      • Encendido
      • Escape
      • Filtros de aire
      • Inicio
      • Motor y carcasa
      • Motores
      • Refrigeración
      • Sellos
      • Sistema de inyección
      • Tornillos y piezas pequeñas
    • Sistema eléctrico
      Todo apagado Sistema eléctrico
      • Bujías de encendido
      • Cables
      • Encendido y alternador
      • Enchufe
      • Fuente de luz
      • Iluminación
      • Instrumentos
      • Interruptores
      • Motor de arranque
      • Pilas
      • Regulador, rectificador
      • Tornillos y piezas pequeñas
    • Bastidor y piezas complementarias
      Todo apagado Bastidor y piezas complementarias
      • Amortiguador
      • Bancos
      • Caballete principal y lateral
      • Cojinete del cabezal de dirección
      • Horquillas
      • Piezas de revestimiento
      • Rotulación
      • Sistema de combustible
      • Tornillos y piezas pequeñas
    • Manillares y accesorios
      Todo apagado Manillares y accesorios
      • Asas
      • Espejo
      • Freno y embrague
      • Instrumentos
      • Interruptores
      • Manillares y piezas de carenado
      • Palancas de cambio de gas
      • Tornillos y piezas pequeñas
    • Cables Bowden
      Todo apagado Cables Bowden
      • Boquillas de sujeción y tornillos de ajuste
      • Cables del velocímetro
      • Elementos de control
      • Líneas de freno
      • Mandos tacométricos
      • Tirones de cable y series
    • Ruedas
      Todo apagado Ruedas
      • Frenos
      • Llantas
      • Mangueras
      • Neumáticos
      • Ruedas
      • Válvulas y piezas pequeñas
    • Servicio
      Todo apagado Servicio
      • Aceites
      • Correa trapezoidal
      • Establece
      • Filtros
      • Herramienta
      • Más limpio
    • Petróleo y química
      Todo apagado Petróleo y química
      • Aceites
      • Adhesivos
      • Grasas y lubricantes
      • Lacas y colores
      • Material de explotación
      • Material para talleres
      • Productos de cuidado y limpieza
      • Selladores
    • Accesorios
      Todo apagado Accesorios
      • Accesorios especiales
      • Barra de choque
      • Bolsas
      • Equipamiento para talleres
      • Literatura
      • Mercancía
      • Paravientos
      • Portaequipajes
      • Protección antirrobo
      • Soportes y accesorios para teléfonos móviles
      • TopCase
    • Cascos y ropa
      Todo apagado Cascos y ropa
      • Accesorios
      • Camisetas y camisas
      • Cascos
      • Chaquetas y pantalones
      • Gafas y viseras
      • Guantes
    Consejo del día
    Colector de admisión -POLINI- 125-150cc 4T 2V AC Leader- Piaggio Liberty (ZAPM22), Skipper (ZAPM21), Zip II (ZAPM25), Vespa ET4 (ZAPM19) - 1 conexión de vacío
    Polini
    Colector de admisión -POLINI- 125-150cc 4T 2V AC Leader- Piaggio Liberty (ZAPM22), Skipper (ZAPM21), Zip II (ZAPM25), Vespa ET4 (ZAPM19) - 1 conexión de vacío
    17,90 €*
  • Ciclomotor Classic
    • Motor
      Todo apagado Motor
      • Caja de cambios
      • Carburador
      • Cigüeñal
      • Cilindro
      • Colector de admisión y diafragma
      • Conducir
      • Conjunto de revisiones
      • Embrague
      • Encendido
      • Escape
      • Filtros de aire
      • Inicio
      • Motor y carcasa
      • Refrigeración
      • Sellos
      • Tornillos y piezas pequeñas
    • Sistema eléctrico
      Todo apagado Sistema eléctrico
      • Bujías de encendido
      • Cables
      • Encendido y alternador
      • Enchufe
      • Fuente de luz
      • Iluminación
      • Instrumentos
      • Interruptores
      • Pilas
      • Regulador, rectificador
      • Tornillos y piezas pequeñas
    • Bastidor y piezas complementarias
      Todo apagado Bastidor y piezas complementarias
      • Amortiguador
      • Bancos
      • Caballete principal y lateral
      • Cojinete del cabezal de dirección
      • Horquillas
      • Piezas de revestimiento
      • Rotulación
      • Sistema de combustible
      • Tornillos y piezas pequeñas
    • Manillares y accesorios
      Todo apagado Manillares y accesorios
      • Asas
      • Espejo
      • Freno y embrague
      • Instrumentos
      • Interruptores
      • Manillares y piezas de carenado
      • Palancas de cambio de gas
      • Tornillos y piezas pequeñas
    • Cables Bowden
      Todo apagado Cables Bowden
      • Boquillas de sujeción y tornillos de ajuste
      • Cables del velocímetro
      • Elementos de control
      • Mandos tacométricos
      • Tirones de cable y series
    • Ruedas
      Todo apagado Ruedas
      • Frenos
      • Llantas
      • Mangueras
      • Neumáticos
      • Ruedas
      • Válvulas y piezas pequeñas
    • Servicio
      Todo apagado Servicio
      • Aceites
      • Filtros
      • Herramienta
    • Petróleo y química
      Todo apagado Petróleo y química
      • Aceites
      • Adhesivos
      • Grasas y lubricantes
      • Lacas y colores
      • Material de explotación
      • Material para talleres
      • Productos de cuidado y limpieza
      • Sellador
    • Accesorios
      Todo apagado Accesorios
      • Accesorios especiales
      • Bolsas
      • Equipamiento para talleres
      • Literatura
      • Mercancía
      • Portaequipajes
      • Protección antirrobo
    • Cascos y ropa
      Todo apagado Cascos y ropa
      • Accesorios
      • Camisetas y camisas
      • Cascos
      • Guantes
    Consejo del día
    Juego de casquillos -MC Casquillos de horquilla- Brazos oscilantes de horquilla Ciao, para revisión y estabilización de la rueda delantera
    MC Proparts
    Juego de casquillos -MC Casquillos de horquilla- Brazos oscilantes de horquilla Ciao, para revisión y estabilización de la rueda delantera
    17,90 €*
  • Lambretta
    • Motor
      Todo apagado Motor
      • Caja de cambios
      • Carburador
      • Cigüeñal
      • Cilindro
      • Colector de admisión y diafragma
      • Conducir
      • Conjuntos de revisión
      • Embrague
      • Encendido
      • Escape
      • Filtro de aire
      • Kickstarter
      • Motor y carcasa
      • Refrigeración
      • Sellos
      • Tornillos y piezas pequeñas
    • Sistema eléctrico
      Todo apagado Sistema eléctrico
      • Bujías de encendido
      • Encendido y alternador
      • Enchufe
      • Fuente de luz
      • Iluminación
      • Instrumentos
      • Interruptores
      • Mazos de cables
      • Pilas
      • Regulador y rectificador
      • Tornillos y piezas pequeñas
    • Bastidor y piezas complementarias
      Todo apagado Bastidor y piezas complementarias
      • Amortiguador
      • Bancos
      • Caballete principal
      • Cojinete del cabezal de dirección
      • Horquillas
      • Piezas de revestimiento
      • Rotulación
      • Sistema de combustible
      • Tornillos y piezas pequeñas
    • Manillares y accesorios
      Todo apagado Manillares y accesorios
      • Espejo
      • Freno y embrague
      • Instrumentos
      • Interruptores
      • Manillares y piezas de carenado
      • Palancas de cambio de gas
      • Puños
      • Tornillos y piezas pequeñas
    • Cables Bowden
      Todo apagado Cables Bowden
      • Cables del velocímetro
      • Elementos de control
      • Líneas de freno
      • Mandos tacométricos
      • Tetones y tornillos de ajuste
      • Tirones de cable y series
    • Ruedas
      Todo apagado Ruedas
      • Frenos
      • Llantas
      • Mangueras
      • Neumáticos
      • Ruedas
      • Válvulas y piezas pequeñas
    • Servicio
      Todo apagado Servicio
      • Aceites
      • Establece
      • Herramienta
      • Más limpio
    • Petróleo y química
      Todo apagado Petróleo y química
      • Aceites
      • Adhesivos
      • Grasas y lubricantes
      • Lacas y colores
      • Material de explotación
      • Material para talleres
      • Productos de cuidado y limpieza
      • Sellador
    • Accesorios
      Todo apagado Accesorios
      • Accesorios especiales
      • Barra de choque
      • Bolsas
      • Equipamiento para talleres
      • Literatura
      • Mercancía
      • Paravientos
      • Portaequipajes
      • Protección antirrobo
      • Soportes y accesorios para teléfonos móviles
    • Cascos y ropa
      Todo apagado Cascos y ropa
      • Accesorios
      • Camisetas y camisas
      • Cascos
      • Chaquetas y pantalones
      • Guantes
    Consejo del día
    Compresor de embrague -BGM PRO- Lambretta LI, LIS, SX, TV (series 2-3), DL, GP, J, Lui
    BGM PRO
    Compresor de embrague -BGM PRO- Lambretta LI, LIS, SX, TV (series 2-3), DL, GP, J, Lui
    46,90 €*
  • Scooter 50-850cc
    • Motor
      Todo apagado Motor
      • Arranque
      • Carburadores
      • Carcasas de motor
      • Cigüeñal
      • Cilindros
      • Colector de admisión y válvula de láminas
      • Conjunto de revisiones
      • Embrague
      • Encendido
      • Engranajes
      • Escape
      • Filtros de aire
      • Juntas
      • Motores
      • Refrigeración
      • Sistema de inyección
      • Tornillos y piezas pequeñas
      • Transmisión
    • Sistema eléctrico
      Todo apagado Sistema eléctrico
      • arranque
      • Baterías
      • Bombillas
      • Bujías
      • Cables
      • Encendido y alternador
      • enchufes y clavijas
      • iluminación
      • Instrumentos de visualización
      • Interruptores
      • Regulador, rectificador
      • Tornillos y piezas pequeñas
    • Bastidor y piezas complementarias
      Todo apagado Bastidor y piezas complementarias
      • Amortiguador
      • Bancos
      • Caballete principal y lateral
      • Cojinete del cabezal de dirección
      • Horquillas
      • Piezas chasis
      • Rotulación
      • Sistema de combustible
      • Tornillos y piezas pequeñas
    • Manillares y accesorios
      Todo apagado Manillares y accesorios
      • Asas
      • Espejo
      • Freno y embrague
      • Instrumentos
      • Interruptores
      • Manillares y piezas de carenado
      • Palancas de cambio de gas
      • Tornillos y piezas pequeñas
    • Cables Bowden
      Todo apagado Cables Bowden
      • Boquillas de sujeción y tornillos de ajuste
      • Cables del velocímetro
      • Elementos de control
      • Líneas de freno
      • Mandos tacométricos
      • Tirones de cable y series
    • Ruedas
      Todo apagado Ruedas
      • Frenos
      • Llantas
      • Mangueras
      • Neumáticos
      • Ruedas
      • Válvulas y piezas pequeñas
    • Servicio
      Todo apagado Servicio
      • Aceites
      • Correas de transmisión
      • Establece
      • Filtros
      • Herramienta
      • Limpiador
    • Petróleo y química
      Todo apagado Petróleo y química
      • Aceites
      • Adhesivos
      • Grasas y lubricantes
      • Lacas y colores
      • Líquidos de servicio
      • Material para talleres
      • Productos de cuidado y limpieza
      • Sellador
    • Accesorios
      Todo apagado Accesorios
      • Accesorios especiales
      • Aceleradores y limitadores de revoluciones
      • Bolsas
      • Defensas
      • Equipamiento para talleres
      • Literatura
      • Mercancía
      • Paravientos
      • Portaequipajes
      • Protección antirrobo
      • Soportes y accesorios para teléfonos móviles
      • TopCase
    • Cascos y ropa
      Todo apagado Cascos y ropa
      • Accesorios
      • Camisetas y camisas
      • Cascos
      • Chaquetas y pantalones
      • Gafas y viseras
      • Guantes
    Consejo del día
    Juego de manetas de freno -PRO BRAKE- ajustables - Royal Alloy GP 125-300, TG 125-300 - negro brillante
    Pro Brake
    Juego de manetas de freno -PRO BRAKE- ajustables - Royal Alloy GP 125-300, TG 125-300 - negro brillante
    99,00 €*
  1. Gilera
  2. DNA 125 (2002, ZAPM26000)
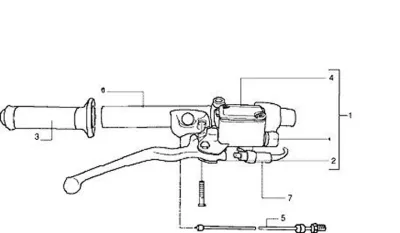
Motor
Sistema eléctrico
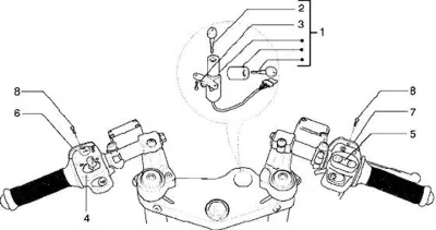
Bastidor y piezas complementarias
Manillares y accesorios
Cables Bowden
Ruedas
Servicio
Petróleo y química
Accesorios
Cascos y ropa
Gilera DNA 125 (2002, ZAPM26000)
  • Despiece
    • Adhesivos
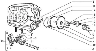
    • Amortiguador trasero
    • Balancín - árbol de levas
    • Basculante
    • Bomba de aceite - cadena de distribución
    • Bombín de freno delantero/trasero derecho
    • Bombín de freno delantero/trasero izquierdo
    • Caballete central - caballete lateral
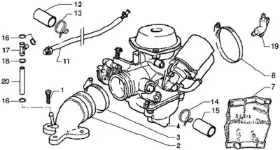
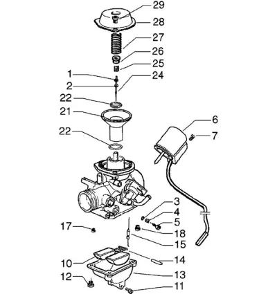
    • Carburador
    • Carburador
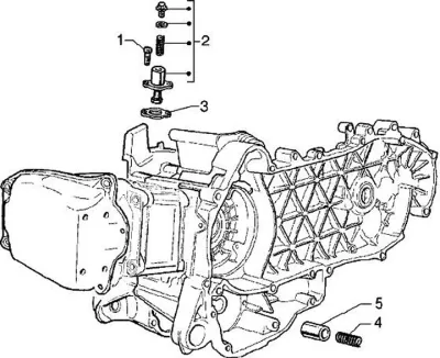
    • Carcasa de motor
    • Carenado bajo sillín
    • Chasis
    • Cigüeñal
    • Cilindro - pistón
    • Componentes de carburador (Walbro)
    • Cuentakilómetros
    • Culata - válvulas
    • Depósito de combustible
    • Engranaje
    • Escape
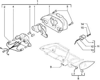
    • Faro - intermitente
    • Filtro de aceite
    • Filtro de aire
    • Horquilla - kit rodamientos dirección
    • Hueco casco
    • Interruptor - conmutador cerradura contacto
    • Limitador de torque
    • Manguitos refrigerante
    • Mazo de cables
    • Motor - kit de juntas para motor
    • Motor de arranque
    • Piloto trasero - intermitente
    • Pinza de freno delantero
    • Pinza de freno trasero - tubería freno
    • Polea conducida - embrague
    • Pulsador arranque - batería
    • Radiador - ventilador
    • Regulador
    • Rueda delantera
    • Rueda trasera
    • Sillín
    • Tapa carcasa de motor
    • Tapa deflector cilindro
    • Tapa lateral - guardabarros
    • Tensor cadena
    • Variador
    • Volante magnético - bomba de agua
Despiece
Gilera DNA 125 (2002, ZAPM26000)
Adhesivos
Adhesivos
Amortiguador trasero
Amortiguador trasero
Balancín - árbol de levas
Balancín - árbol de levas
Basculante
Basculante
Bomba de aceite - cadena de distribución
Bomba de aceite - cadena de distribución
Bombín de freno delantero/trasero derecho
Bombín de freno delantero/trasero derecho
Bombín de freno delantero/trasero izquierdo
Bombín de freno delantero/trasero izquierdo
Caballete central - caballete lateral
Caballete central - caballete lateral
Carburador
Carburador
Carburador
Carburador
Carcasa de motor
Carcasa de motor
Carenado bajo sillín
Carenado bajo sillín
Chasis
Chasis
Cigüeñal
Cigüeñal
Cilindro - pistón
Cilindro - pistón
Componentes de carburador (Walbro)
Componentes de carburador (Walbro)
Cuentakilómetros
Cuentakilómetros
Culata - válvulas
Culata - válvulas
Depósito de combustible
Depósito de combustible
Engranaje
Engranaje
Escape
Escape
Faro - intermitente
Faro - intermitente
Filtro de aceite
Filtro de aceite
Filtro de aire
Filtro de aire
Horquilla  - kit rodamientos dirección
Horquilla - kit rodamientos dirección
Hueco casco
Hueco casco
Interruptor - conmutador cerradura contacto
Interruptor - conmutador cerradura contacto
Limitador de torque
Limitador de torque
Manguitos refrigerante
Manguitos refrigerante
Mazo de cables
Mazo de cables
Motor - kit de juntas para motor
Motor - kit de juntas para motor
Motor de arranque
Motor de arranque
Piloto trasero - intermitente
Piloto trasero - intermitente
Pinza de freno delantero
Pinza de freno delantero
Pinza de freno trasero - tubería freno
Pinza de freno trasero - tubería freno
Polea conducida - embrague
Polea conducida - embrague
Pulsador arranque - batería
Pulsador arranque - batería
Radiador - ventilador
Radiador - ventilador
Regulador
Regulador
Rueda delantera
Rueda delantera
Rueda trasera
Rueda trasera
Sillín
Sillín
Tapa carcasa de motor
Tapa carcasa de motor
Tapa deflector cilindro
Tapa deflector cilindro
Tapa lateral - guardabarros
Tapa lateral - guardabarros
Tensor cadena
Tensor cadena
Variador
Variador
Volante magnético - bomba de agua
Volante magnético - bomba de agua
Suscríbete al boletín de noticias de Scooter Center.
Introduce tu email aquí
Suscríbete a nuestro boletín y obtén un descuento de 5 euros en tu próximo pedido de 50 euros o más.
Mantente siempre al día con noticias, promociones y ofertas exclusivas para scooters y tuning.
Puedes darte de baja en cualquier momento. Tus datos no se transmitirán a terceros.
Scooter Center
muy bueno 4.7 / 5
Scooter Center
Quiénes somos
Contacto
Cómo contactar con nosotros
Horarios de apertura
Para distribuidores
Su carrera profesional
Nuestra responsabilidad/ESG
 
Servicio de envío
Gastos de envío
Formas de pago/precios
Devoluciones
Vale de compra
Pedido directo
Despiece
Nuestros vehículos
PREGUNTAS FRECUENTES
Pago y envío
Sie können im Shop mit paypal zahlen Sie können im Shop per Vorkasse zahlen Sie können im Shop mit Kreditkarte zahlen Sie können im Shop mit Google Pay zahlen Sie können im Shop mit Apple Pay zahlen Sie können im Shop per Nachnahme zahlen Sie können im Shop mit Trustly zahlen Sie können im Shop mit iDEAL zahlen Sie können im Shop mit bancontact zahlen Sie können im Shop mit Bancomat Pay zahlen Sie können im Shop mit Amex zahlen Sie können im Shop mit BLIK zahlen
Envío gratuito a partir de un valor de pedido de 99 euros para todos los clientes finales dentro de Alemania.
Wir versenden mit DHL Wir versenden mit ups Wir versenden mit DPD Wir versenden mit Fedex Click & Collect
Ausgezeichnet durch das eKomi Siegel
Artículo sin TÜV ni ABE a menos que se indique lo contrario. Los plazos de entrega se refieren a entregas dentro de Alemania.
Todos los derechos reservados © 2025 Scooter Center GmbH
Asuntos jurídicos
Condiciones medioambientales Ordenanza sobre pequeñas piezas eléctricas Derecho de cancelación AGB e información al cliente Configuración de cookies Aviso legal Política de privacidad
* incl. IVA más gastos de envío