muy bueno
4.7 / 5
Envío hoy con pedido en 4 h 1 min
Gastos de envío gratuitos a partir de 99€ (DE) Alta satisfacción del cliente
Contacto |Privacidad |AGB & Customer Info |Pie de imprenta
Envío hoy con pedido en 4 h 1 min
Vespa Primavera 125 (2016, ZAPM81101) | Despiece Vespa Primavera 125 (2016, ZAPM81101) | Despiece
Blog DE DE  |  €
Mi garaje
¿Ha olvidado su contraseña?
Crear una nueva cuenta de cliente
0
  • Todos
    • Motor
      Todo apagado Motor
      • Caja de cambios
      • Carburador
      • Cigüeñal
      • Cilindro
      • Colector de admisión y diafragma
      • Conducir
      • Conjunto de revisiones
      • Embrague
      • Encendido
      • Escape
      • Filtro de aire
      • Inicio
      • Motor y carcasa
      • Motores
      • Refrigeración
      • Sellos
      • Sistema de inyección
      • Tornillos y piezas pequeñas
    • Sistema eléctrico
      Todo apagado Sistema eléctrico
      • Bujías de encendido
      • Cables
      • Encendido y alternador
      • Enchufe
      • Fuente de luz
      • Iluminación
      • Instrumentos
      • Interruptores
      • Motor de arranque
      • Pilas
      • Regulador, rectificador
      • Tornillos y piezas pequeñas
    • Bastidor y piezas complementarias
      Todo apagado Bastidor y piezas complementarias
      • Amortiguador
      • Caballete principal y lateral
      • Cojinete del cabezal de dirección
      • Horquillas
      • Piezas de revestimiento
      • Rotulación
      • Sillines
      • Sistema de combustible
      • Tornillos y piezas pequeñas
    • Manillares y accesorios
      Todo apagado Manillares y accesorios
      • Asas
      • Espejo
      • Freno y embrague
      • Instrumentos
      • Interruptores
      • Manillares y piezas de carenado
      • Palancas de cambio de gas
      • Tornillos y piezas pequeñas
    • Cables Bowden
      Todo apagado Cables Bowden
      • Boquillas de sujeción y tornillos de ajuste
      • Cables del velocímetro
      • Elementos de control
      • Líneas de freno
      • Mandos tacométricos
      • Tirones de cable y series
    • Ruedas
      Todo apagado Ruedas
      • Frenos
      • Llantas
      • Mangueras
      • Neumáticos
      • Ruedas
      • Válvulas y piezas pequeñas
    • Servicio
      Todo apagado Servicio
      • Aceites
      • Correa trapezoidal
      • Establece
      • Filtros
      • Herramienta
    • Petróleo y química
      Todo apagado Petróleo y química
      • Aceites
      • Adhesivos
      • Grasas y lubricantes
      • Lacas y colores
      • Material de explotación
      • Material para talleres
      • Productos de cuidado y limpieza
      • Sellador
    • Accesorios
      Todo apagado Accesorios
      • Accesorios especiales
      • Aceleradores y limitadores de revoluciones
      • Carteras
      • Defensas
      • Equipamiento de taller
      • Maletas
      • Manuales y más
      • Mercancía
      • Parabrisas
      • Portaequipajes
      • Protección antirrobo
      • Soportes y accesorios para teléfonos móviles
    • Cascos y ropa
      Todo apagado Cascos y ropa
      • Accesorios
      • Camisetas y camisas
      • Cascos
      • Chaquetas y pantalones
      • Gafas y viseras
      • Guantes
    • Vales
    Consejo del día
    Herramienta de desmontaje eje rueda delantera -BGM PRO- Vespa 125 V1-V15, V30-33, VM1-2, VN1, VN2, VNA, VNB , 150 VL, VB, VBA, VBB, VLA1, VGL1, VGLA1, VGLB1, Super, GL, T4, Sprint, GT, GTR, Rally, TS, Motovespa (1959-1964) 125N, 125S, 150S
    %
    BGM PRO
    Herramienta de desmontaje eje rueda delantera -BGM PRO- Vespa 125 V1-V15, V30-33, VM1-2, VN1, VN2, VNA, VNB , 150 VL, VB, VBA, VBB, VLA1, VGL1, VGLA1, VGLB1, Super, GL, T4, Sprint, GT, GTR, Rally, TS, Motovespa (1959-1964) 125N, 125S, 150S
    22,28 €* 25,32 €*
  • Vespa clásica
    • Motor
      Todo apagado Motor
      • Caja de cambios
      • Carburador
      • Cigüeñal
      • Cilindro
      • Colector de admisión y diafragma
      • Conducir
      • Conjunto de revisiones
      • Embrague
      • Encendido
      • Escape
      • Filtro de aire
      • Inicio
      • Motor y carcasa
      • Motores
      • Refrigeración
      • Sellos
      • Tornillos y piezas pequeñas
    • Sistema eléctrico
      Todo apagado Sistema eléctrico
      • Bujías de encendido
      • Cables
      • Encendido y alternador
      • Enchufe
      • Fuente de luz
      • Iluminación
      • Instrumentos
      • Interruptores
      • Motor de arranque
      • Pilas
      • Regulador, rectificador
      • Tornillos y piezas pequeñas
    • Chasis
      Todo apagado Chasis
      • Amortiguador
      • Bancos
      • Caballete principal y lateral
      • Cojinete del cabezal de dirección
      • Horquillas
      • Piezas de revestimiento
      • Rotulación
      • Sistema de combustible
      • Tornillos y piezas pequeñas
    • Manillar
      Todo apagado Manillar
      • Asas
      • Espejo
      • Freno y embrague
      • Instrumentos
      • Interruptores
      • Manillares y piezas de carenado
      • Palancas de cambio de gas
      • Tornillos y piezas pequeñas
    • Cables Bowden
      Todo apagado Cables Bowden
      • Boquillas de sujeción y tornillos de ajuste
      • Cables del velocímetro
      • Elementos de control
      • Líneas de freno
      • Mandos tacométricos
      • Tirones de cable y series
    • Ruedas
      Todo apagado Ruedas
      • Frenos
      • Llantas
      • Mangueras
      • Neumáticos
      • Ruedas
      • Válvulas y piezas pequeñas
    • Servicio
      Todo apagado Servicio
      • Aceites
      • Establece
      • Filtros
      • Herramienta
    • Aceite y química
      Todo apagado Aceite y química
      • Aceites
      • Adhesivos
      • Grasas y lubricantes
      • Lacas y colores
      • Material de explotación
      • Material para talleres
      • Productos de cuidado y limpieza
      • Sellador
    • Accesorios
      Todo apagado Accesorios
      • Accesorios especiales
      • Barra de choque
      • Bolsas
      • Equipamiento para talleres
      • Literatura
      • Mercancía
      • Paravientos
      • Portaequipajes
      • Soportes y accesorios para teléfonos móviles
      • TopCase
    • Cascos y ropa
      Todo apagado Cascos y ropa
      • Accesorios
      • Camisetas y camisas
      • Cascos
      • Chaquetas y pantalones
      • Gafas y viseras
      • Guantes
    Consejo del día
    Escape -LTH-Box Road Racing- Vespa PX80, PX125, PX150 - para la puesta a punto de los cilindros 166cc, 172cc, 177cc, 187cc, 190cc - Negro
    LTH
    Escape -LTH-Box Road Racing- Vespa PX80, PX125, PX150 - para la puesta a punto de los cilindros 166cc, 172cc, 177cc, 187cc, 190cc - Negro
    182,01 €*
  • Vespa Moderna
    • Motor
      Todo apagado Motor
      • Caja de cambios
      • Carburador
      • Cigüeñal
      • Cilindro
      • Colector de admisión y diafragma
      • Conducir
      • Conjunto de revisiones
      • Embrague
      • Encendido
      • Escape
      • Filtros de aire
      • Inicio
      • Motor y carcasa
      • Motores
      • Refrigeración
      • Sellos
      • Sistema de inyección
      • Tornillos y piezas pequeñas
    • Sistema eléctrico
      Todo apagado Sistema eléctrico
      • Bujías de encendido
      • Cables
      • Encendido y alternador
      • Enchufe
      • Fuente de luz
      • Iluminación
      • Instrumentos
      • Interruptores
      • Motor de arranque
      • Pilas
      • Regulador, rectificador
      • Tornillos y piezas pequeñas
    • Bastidor y piezas complementarias
      Todo apagado Bastidor y piezas complementarias
      • Amortiguador
      • Bancos
      • Caballete principal y lateral
      • Cojinete del cabezal de dirección
      • Horquillas
      • Piezas de revestimiento
      • Rotulación
      • Sistema de combustible
      • Tornillos y piezas pequeñas
    • Manillares y accesorios
      Todo apagado Manillares y accesorios
      • Asas
      • Espejo
      • Freno y embrague
      • Instrumentos
      • Interruptores
      • Manillares y piezas de carenado
      • Palancas de cambio de gas
      • Tornillos y piezas pequeñas
    • Cables Bowden
      Todo apagado Cables Bowden
      • Boquillas de sujeción y tornillos de ajuste
      • Cables del velocímetro
      • Elementos de control
      • Líneas de freno
      • Mandos tacométricos
      • Tirones de cable y series
    • Ruedas
      Todo apagado Ruedas
      • Frenos
      • Llantas
      • Mangueras
      • Neumáticos
      • Ruedas
      • Válvulas y piezas pequeñas
    • Servicio
      Todo apagado Servicio
      • Aceites
      • Correa trapezoidal
      • Establece
      • Filtros
      • Herramienta
      • Más limpio
    • Petróleo y química
      Todo apagado Petróleo y química
      • Aceites
      • Adhesivos
      • Grasas y lubricantes
      • Lacas y colores
      • Material de explotación
      • Material para talleres
      • Productos de cuidado y limpieza
      • Selladores
    • Accesorios
      Todo apagado Accesorios
      • Accesorios especiales
      • Barra de choque
      • Bolsas
      • Equipamiento para talleres
      • Literatura
      • Mercancía
      • Paravientos
      • Portaequipajes
      • Protección antirrobo
      • Soportes y accesorios para teléfonos móviles
      • TopCase
    • Cascos y ropa
      Todo apagado Cascos y ropa
      • Accesorios
      • Camisetas y camisas
      • Cascos
      • Chaquetas y pantalones
      • Gafas y viseras
      • Guantes
    Consejo del día
    Carter de aceite con mirilla -MOTO NOSTRA- negro brillante - Vespa GTS 310 (2024-) - Vespa GTS MP3 HPE 310 (2024-)
    Arriba
    Moto Nostra
    Carter de aceite con mirilla -MOTO NOSTRA- negro brillante - Vespa GTS 310 (2024-) - Vespa GTS MP3 HPE 310 (2024-)
    192,18 €*
  • Ciclomotor Classic
    • Motor
      Todo apagado Motor
      • Caja de cambios
      • Carburador
      • Cigüeñal
      • Cilindro
      • Colector de admisión y diafragma
      • Conducir
      • Conjunto de revisiones
      • Embrague
      • Encendido
      • Escape
      • Filtros de aire
      • Inicio
      • Motor y carcasa
      • Refrigeración
      • Sellos
      • Tornillos y piezas pequeñas
    • Sistema eléctrico
      Todo apagado Sistema eléctrico
      • Bujías de encendido
      • Cables
      • Encendido y alternador
      • Enchufe
      • Fuente de luz
      • Iluminación
      • Instrumentos
      • Interruptores
      • Pilas
      • Regulador, rectificador
      • Tornillos y piezas pequeñas
    • Bastidor y piezas complementarias
      Todo apagado Bastidor y piezas complementarias
      • Amortiguador
      • Bancos
      • Caballete principal y lateral
      • Cojinete del cabezal de dirección
      • Horquillas
      • Piezas de revestimiento
      • Rotulación
      • Sistema de combustible
      • Tornillos y piezas pequeñas
    • Manillares y accesorios
      Todo apagado Manillares y accesorios
      • Asas
      • Espejo
      • Freno y embrague
      • Instrumentos
      • Interruptores
      • Manillares y piezas de carenado
      • Palancas de cambio de gas
      • Tornillos y piezas pequeñas
    • Cables Bowden
      Todo apagado Cables Bowden
      • Boquillas de sujeción y tornillos de ajuste
      • Cables del velocímetro
      • Elementos de control
      • Mandos tacométricos
      • Tirones de cable y series
    • Ruedas
      Todo apagado Ruedas
      • Frenos
      • Llantas
      • Mangueras
      • Neumáticos
      • Ruedas
      • Válvulas y piezas pequeñas
    • Servicio
      Todo apagado Servicio
      • Aceites
      • Filtros
      • Herramienta
    • Petróleo y química
      Todo apagado Petróleo y química
      • Aceites
      • Adhesivos
      • Grasas y lubricantes
      • Lacas y colores
      • Material de explotación
      • Material para talleres
      • Productos de cuidado y limpieza
      • Sellador
    • Accesorios
      Todo apagado Accesorios
      • Accesorios especiales
      • Bolsas
      • Equipamiento para talleres
      • Literatura
      • Mercancía
      • Portaequipajes
      • Protección antirrobo
    • Cascos y ropa
      Todo apagado Cascos y ropa
      • Accesorios
      • Camisetas y camisas
      • Cascos
      • Guantes
    Consejo del día
    Campana de embrague -BGM PRO- Piaggio Ciao, Bravo, Boxer, Si -una pieza con aletas de refrigeración, CNC Made in Germany, modelos con variador
    BGM PRO
    Campana de embrague -BGM PRO- Piaggio Ciao, Bravo, Boxer, Si -una pieza con aletas de refrigeración, CNC Made in Germany, modelos con variador
    131,17 €*
  • Lambretta
    • Motor
      Todo apagado Motor
      • Caja de cambios
      • Carburador
      • Cigüeñal
      • Cilindro
      • Colector de admisión y diafragma
      • Conducir
      • Conjuntos de revisión
      • Embrague
      • Encendido
      • Escape
      • Filtro de aire
      • Kickstarter
      • Motor y carcasa
      • Refrigeración
      • Sellos
      • Tornillos y piezas pequeñas
    • Sistema eléctrico
      Todo apagado Sistema eléctrico
      • Bujías de encendido
      • Encendido y alternador
      • Enchufe
      • Fuente de luz
      • Iluminación
      • Instrumentos
      • Interruptores
      • Mazos de cables
      • Pilas
      • Regulador y rectificador
      • Tornillos y piezas pequeñas
    • Bastidor y piezas complementarias
      Todo apagado Bastidor y piezas complementarias
      • Amortiguador
      • Bancos
      • Caballete principal
      • Cojinete del cabezal de dirección
      • Horquillas
      • Piezas de revestimiento
      • Rotulación
      • Sistema de combustible
      • Tornillos y piezas pequeñas
    • Manillares y accesorios
      Todo apagado Manillares y accesorios
      • Espejo
      • Freno y embrague
      • Instrumentos
      • Interruptores
      • Manillares y piezas de carenado
      • Palancas de cambio de gas
      • Puños
      • Tornillos y piezas pequeñas
    • Cables Bowden
      Todo apagado Cables Bowden
      • Cables del velocímetro
      • Elementos de control
      • Líneas de freno
      • Mandos tacométricos
      • Tetones y tornillos de ajuste
      • Tirones de cable y series
    • Ruedas
      Todo apagado Ruedas
      • Frenos
      • Llantas
      • Mangueras
      • Neumáticos
      • Ruedas
      • Válvulas y piezas pequeñas
    • Servicio
      Todo apagado Servicio
      • Aceites
      • Establece
      • Herramienta
      • Más limpio
    • Petróleo y química
      Todo apagado Petróleo y química
      • Aceites
      • Adhesivos
      • Grasas y lubricantes
      • Lacas y colores
      • Material de explotación
      • Material para talleres
      • Productos de cuidado y limpieza
      • Sellador
    • Accesorios
      Todo apagado Accesorios
      • Accesorios especiales
      • Barra de choque
      • Bolsas
      • Equipamiento para talleres
      • Literatura
      • Mercancía
      • Paravientos
      • Portaequipajes
      • Protección antirrobo
      • Soportes y accesorios para teléfonos móviles
    • Cascos y ropa
      Todo apagado Cascos y ropa
      • Accesorios
      • Camisetas y camisas
      • Cascos
      • Chaquetas y pantalones
      • Guantes
    Consejo del día
    Compresor de muelle de horquilla -BGM PRO Made in Germany- Lambretta LI, LIS, SX, TV, DL, GP
    BGM PRO
    Compresor de muelle de horquilla -BGM PRO Made in Germany- Lambretta LI, LIS, SX, TV, DL, GP
    59,99 €*
  • Scooter 50-850cc
    • Motor
      Todo apagado Motor
      • Arranque
      • Carburadores
      • Carcasas de motor
      • Cigüeñal
      • Cilindros
      • Colector de admisión y válvula de láminas
      • Conjunto de revisiones
      • Embrague
      • Encendido
      • Engranajes
      • Escape
      • Filtros de aire
      • Juntas
      • Motores
      • Refrigeración
      • Sistema de inyección
      • Tornillos y piezas pequeñas
      • Transmisión
    • Sistema eléctrico
      Todo apagado Sistema eléctrico
      • arranque
      • Baterías
      • Bombillas
      • Bujías
      • Cables
      • Encendido y alternador
      • enchufes y clavijas
      • iluminación
      • Instrumentos de visualización
      • Interruptores
      • Regulador, rectificador
      • Tornillos y piezas pequeñas
    • Bastidor y piezas complementarias
      Todo apagado Bastidor y piezas complementarias
      • Amortiguador
      • Bancos
      • Caballete principal y lateral
      • Cojinete del cabezal de dirección
      • Horquillas
      • Piezas chasis
      • Rotulación
      • Sistema de combustible
      • Tornillos y piezas pequeñas
    • Manillares y accesorios
      Todo apagado Manillares y accesorios
      • Asas
      • Espejo
      • Freno y embrague
      • Instrumentos
      • Interruptores
      • Manillares y piezas de carenado
      • Palancas de cambio de gas
      • Tornillos y piezas pequeñas
    • Cables Bowden
      Todo apagado Cables Bowden
      • Boquillas de sujeción y tornillos de ajuste
      • Cables del velocímetro
      • Elementos de control
      • Líneas de freno
      • Mandos tacométricos
      • Tirones de cable y series
    • Ruedas
      Todo apagado Ruedas
      • Frenos
      • Llantas
      • Mangueras
      • Neumáticos
      • Ruedas
      • Válvulas y piezas pequeñas
    • Servicio
      Todo apagado Servicio
      • Aceites
      • Correas de transmisión
      • Establece
      • Filtros
      • Herramienta
      • Limpiador
    • Petróleo y química
      Todo apagado Petróleo y química
      • Aceites
      • Adhesivos
      • Grasas y lubricantes
      • Lacas y colores
      • Líquidos de servicio
      • Material para talleres
      • Productos de cuidado y limpieza
      • Sellador
    • Accesorios
      Todo apagado Accesorios
      • Accesorios especiales
      • Aceleradores y limitadores de revoluciones
      • Bolsas
      • Defensas
      • Equipamiento para talleres
      • Literatura
      • Mercancía
      • Paravientos
      • Portaequipajes
      • Protección antirrobo
      • Soportes y accesorios para teléfonos móviles
      • TopCase
    • Cascos y ropa
      Todo apagado Cascos y ropa
      • Accesorios
      • Camisetas y camisas
      • Cascos
      • Chaquetas y pantalones
      • Gafas y viseras
      • Guantes
    Consejo del día
    Embrague -PIAGGIO- Piaggio 125-150 ccm 2 tiempos - Gilera Runner 125 (ZAPM07000), Piaggio Hexagon 125 (EXS1T, ZAPM05000), Piaggio Hexagon 150 (EXV1T), Piaggio Skipper 125 (ZAPM12000), Piaggio Skipper 150 (ZAPM13000), Piaggio SKR 125 (CSM1T), Piaggio SKR 1
    Ferodo
    Embrague -PIAGGIO- Piaggio 125-150 ccm 2 tiempos - Gilera Runner 125 (ZAPM07000), Piaggio Hexagon 125 (EXS1T, ZAPM05000), Piaggio Hexagon 150 (EXV1T), Piaggio Skipper 125 (ZAPM12000), Piaggio Skipper 150 (ZAPM13000), Piaggio SKR 125 (CSM1T), Piaggio SKR 1
    127,10 €*
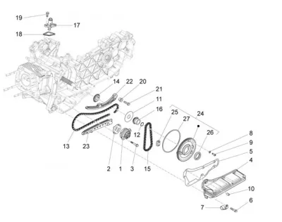
  1. Vespa Primavera/Sprint/946 125/150
  2. Vespa Primavera 125 (2016, ZAPM81101)
Motor
Sistema eléctrico
Bastidor y piezas complementarias
Manillares y accesorios
Cables Bowden
Ruedas
Servicio
Petróleo y química
Accesorios
Cascos y ropa
Vespa Primavera 125 (2016, ZAPM81101)
  • Despiece
    • Adhesivos
    • Amortiguador trasero
    • Arranque
    • Basculante
    • Batería
    • Bomba de aceite
    • Caballete central
    • cable bowden
    • Carcasa acelerador
    • Carcasa de motor
    • Chasis
    • Cigüeñal
    • Cilindro
    • Culata
    • Cúpula
    • Depósito de combustible
    • Engranaje
    • Escape
    • Escudo frontal
    • Faro
    • Fijación basculante
    • Filtro de aceite
    • Filtro de aire
    • Freno delantero
    • Freno trasero
    • Frenos (ABS)
    • Guantera
    • Guardabarros
    • Horquilla rueda delantera
    • Hueco casco
    • Interruptor
    • Juego cerraduras
    • Manillar
    • Mazo de cables
    • Motor
    • Piloto trasero
    • Polea conducida - embrague
    • Portaequipajes delantero
    • Portaequipajes trasero
    • Portamatrículas
    • Regulador
    • Reposapiés
    • Retrovisor
    • Rueda delantera
    • Rueda trasera
    • Sillín
    • Tablero de instrumentos
    • Tapa carcasa de motor
    • Tapa deflector cilindro
    • Tapa lateral
    • Tapa manillar
    • Variador
    • Volante magnético
Despiece
Vespa Primavera 125 (2016, ZAPM81101)
Adhesivos
Adhesivos
Amortiguador trasero
Amortiguador trasero
Arranque
Arranque
Basculante
Basculante
Batería
Batería
Bomba de aceite
Bomba de aceite
Caballete central
Caballete central
cable bowden
cable bowden
Carcasa acelerador
Carcasa acelerador
Carcasa de motor
Carcasa de motor
Chasis
Chasis
Cigüeñal
Cigüeñal
Cilindro
Cilindro
Culata
Culata
Cúpula
Cúpula
Depósito de combustible
Depósito de combustible
Engranaje
Engranaje
Escape
Escape
Escudo frontal
Escudo frontal
Faro
Faro
Fijación basculante
Fijación basculante
Filtro de aceite
Filtro de aceite
Filtro de aire
Filtro de aire
Freno delantero
Freno delantero
Freno trasero
Freno trasero
Frenos (ABS)
Frenos (ABS)
Guantera
Guantera
Guardabarros
Guardabarros
Horquilla rueda delantera
Horquilla rueda delantera
Hueco casco
Hueco casco
Interruptor
Interruptor
Juego cerraduras
Juego cerraduras
Manillar
Manillar
Mazo de cables
Mazo de cables
Motor
Motor
Piloto trasero
Piloto trasero
Polea conducida - embrague
Polea conducida - embrague
Portaequipajes delantero
Portaequipajes delantero
Portaequipajes trasero
Portaequipajes trasero
Portamatrículas
Portamatrículas
Regulador
Regulador
Reposapiés
Reposapiés
Retrovisor
Retrovisor
Rueda delantera
Rueda delantera
Rueda trasera
Rueda trasera
Sillín
Sillín
Tablero de instrumentos
Tablero de instrumentos
Tapa carcasa de motor
Tapa carcasa de motor
Tapa deflector cilindro
Tapa deflector cilindro
Tapa lateral
Tapa lateral
Tapa manillar
Tapa manillar
Variador
Variador
Volante magnético
Volante magnético
Suscríbete al boletín de noticias de Scooter Center.
Introduce tu email aquí
Suscríbete a nuestro boletín y obtén un descuento de 5 euros en tu próximo pedido de 50 euros o más.
Mantente siempre al día con noticias, promociones y ofertas exclusivas para scooters y tuning.
Puedes darte de baja en cualquier momento. Tus datos no se transmitirán a terceros.
Scooter Center
muy bueno 4.7 / 5
Scooter Center
Quiénes somos
Contacto
Cómo contactar con nosotros
Horarios de apertura
Para distribuidores
Su carrera profesional
Nuestra responsabilidad/ESG
 
Servicio de envío
Gastos de envío
Formas de pago/precios
Devoluciones
Vale de compra
Pedido directo
Despiece
Nuestros vehículos
PREGUNTAS FRECUENTES
Pago y envío
Sie können im Shop mit paypal zahlen Sie können im Shop per Vorkasse zahlen Sie können im Shop mit Kreditkarte zahlen Sie können im Shop mit Google Pay zahlen Sie können im Shop mit Apple Pay zahlen Sie können im Shop per Nachnahme zahlen Sie können im Shop mit Trustly zahlen Sie können im Shop mit iDEAL zahlen Sie können im Shop mit bancontact zahlen Sie können im Shop mit Bancomat Pay zahlen Sie können im Shop mit Amex zahlen Sie können im Shop mit BLIK zahlen
Envío gratuito a partir de un valor de pedido de 99 euros para todos los clientes finales dentro de Alemania.
Wir versenden mit DHL Wir versenden mit ups Wir versenden mit DPD Wir versenden mit Fedex Click & Collect
Ausgezeichnet durch das eKomi Siegel
Artículo sin TÜV ni ABE a menos que se indique lo contrario. Los plazos de entrega se refieren a entregas dentro de Alemania.
Todos los derechos reservados © 2025 Scooter Center GmbH
Asuntos jurídicos
Condiciones medioambientales Ordenanza sobre pequeñas piezas eléctricas Derecho de cancelación AGB e información al cliente Configuración de cookies Aviso legal Política de privacidad
* incl. IVA más gastos de envío