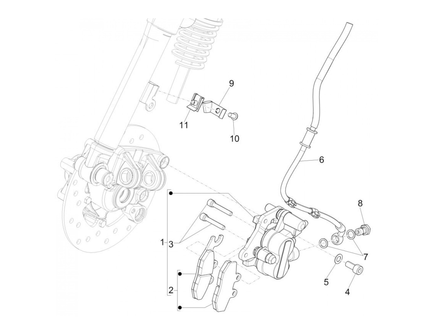
Freno delantero
Vespa Primavera 50 Touring (4-tiempos, 2017, ZAPC53100)
Ordenar