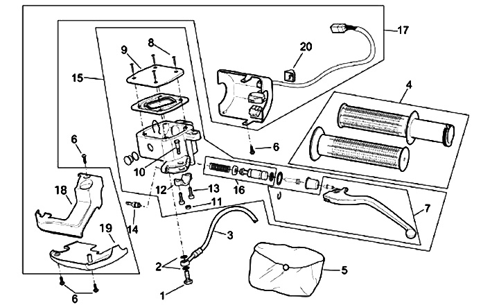
Manillar
Aprilia Scarabeo 125 (2003, ZD4TD000)
Ordenar