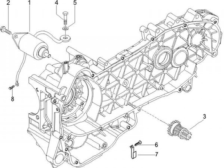
Motor de arranque
Piaggio Liberty 200 (2006-2008, ZAPM38500)
Ordenar